OEM Chất cách điện kính RF Supplier

Công ty TNHH Công nghệ Truyền thông Ninh Ba Hanson Trang chủ / Các sản phẩm / Dòng kín / Chất cách điện kính RF

Chất cách điện kính RF

Sự miêu tả:

Chất cách điện thủy tinh sử dụng cấu trúc thiêu kết thủy tinh với hiệu suất bịt kín tốt. Chúng có thể được sử dụng với các đầu nối sóng milimet như SMA và 2.92, đồng thời cũng có thể được sử dụng trực tiếp giữa các bảng PCB, mẫu cũng như mẫu và linh kiện. Nó sử dụng thủy tinh (hằng số điện môi khoảng 4,0) làm vật liệu trung gian cách điện và dây dẫn bên trong và bên ngoài được làm bằng vật liệu hợp kim Kovar. Sau khi thiêu kết ở nhiệt độ cao, bề mặt được mạ vàng bằng niken. Chất cách điện bằng kính có ưu điểm là kích thước nhỏ, trọng lượng nhẹ, độ kín khít và độ tin cậy cao. Chúng chủ yếu được sử dụng trong những trường hợp có yêu cầu về độ kín hoặc yêu cầu về khối lượng và trọng lượng sản phẩm. Chúng thích hợp cho việc cài đặt chuyên sâu. Dây dẫn bên trong có thể được kết nối theo nhiều cách khác nhau, chẳng hạn như cắm vào, gắn trên bề mặt, hàn và liên kết dây vàng.

hỏi thăm

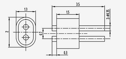
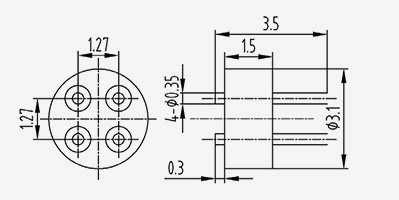
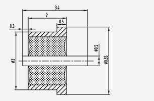
Cấu trúc cơ bản:
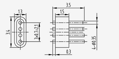
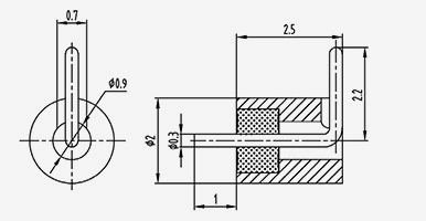
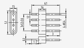
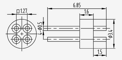
Chất cách điện bằng thủy tinh thường bao gồm ba phần: dây dẫn bên ngoài, môi trường thủy tinh và dây dẫn bên trong, và cấu trúc cơ bản của nó được thể hiện trong hình sau.

Thông số kỹ thuật và kiểm tra độ tin cậy:

Đặc tính điện
Trở kháng đặc trưng 50Ω hoặc khác Dải tần số DC~65GHz
Điện áp chịu được điện môi ≥500V Điện trở cách điện ≥5000M Ω
Điện trở tiếp xúc Dây dẫn bên trong<3m Ω Điện áp VSWR (50Ω) 1,05 0,008f (f: GHz)
Dây dẫn bên ngoài 2m Ω Mất chèn RF (50Ω) .050,05 √ f (f: GHz)
Tính chất vật liệu và cơ học, môi trường
Dây dẫn bên ngoài Hợp kim có thể ủy quyền Tỷ lệ rò rỉ không khí 1,01*10 -9 Pa.m 3 /S
Dây dẫn bên trong Hợp kim phân hủy Nhiệt độ hoạt động -65 oC ~ 165 oC
môi trường cách nhiệt Thủy tinh

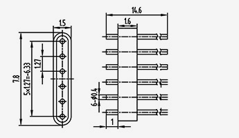
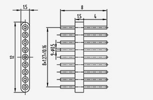
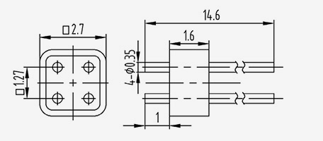
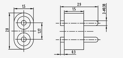
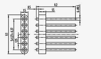
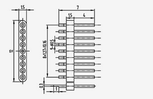
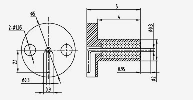
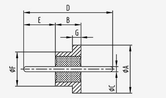
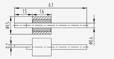
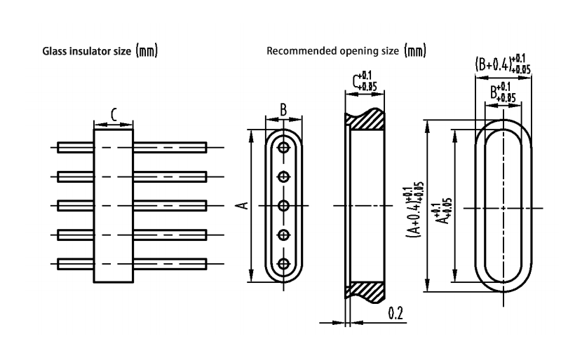
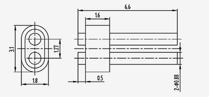
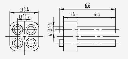
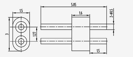
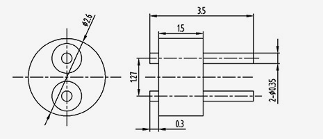
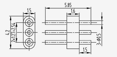
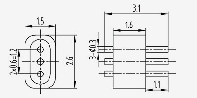
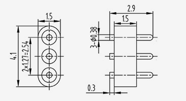
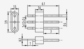
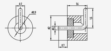
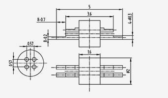
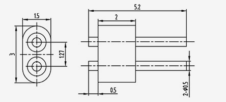
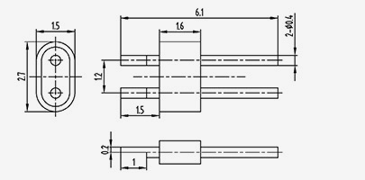
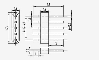
Kích thước lắp đặt được đề xuất cho chất cách điện bằng kính
Kích thước mở lắp đặt được khuyến nghị cho chất cách điện thủy tinh lõi đơn được hiển thị bên dưới:

Kích thước lỗ lắp khuyến nghị cho chất cách điện bằng thủy tinh nhiều lõi được hiển thị bên dưới:

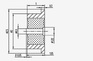
Kiểm tra hiệu suất điện cách điện bằng kính:
Chất cách điện bằng thủy tinh có trở kháng đặc tính 50 ohm với SMA tiêu chuẩn, 2,92, 2,4, v.v. các đầu nối sóng milimet được kết hợp ở cả hai đầu để kiểm tra hiệu suất điện.

RF SERIES
  • Trở kháng đặc tính 50Ω - đầu tròn lõi đơn
    Trở kháng đặc tính 50Ω - đầu tròn lõi đơn
    Người mẫu Kích thước (mm)
    MỘT B C D E
    HS1710-0.23(2.8-0.3) 1.73 1 0.23 2.8 0.3
    HS1710-0.23(6.2-2.7) 1.73 1 0.23 6.2 2.7
    HS1710A 1.73 1 0.23 3 1
    HS1714-0.23(2-0.3) 1.73 1.4 0.23 2 0.3
    V1714-0,23(2,69-0,5) 1.73 1.4 0.23 2.7 0.5
    V1714-0.23(3.9-1.7) 1.73 1.4 0.23 3.9 1.7
    V1714-0.23(4.5-1.7) 1.73 1.4 0.23 4.5 1.7
    HS1714-0.23(3-1.1) 1.73 1.4 0.23 3 1.1
    HSI714E 1.73 1.4 0.23 2.9 1
    HS1714F 1.73 1.4 0.23 2.79 0.9
    HS1715-0.23(3.2-0.8) 1.73 1.5 0.23 3.2 0.8
    HS1716A 1.73 1.65 0.23 3.4 1
    V1719-0.23(5.0-1.7) 1.73 1.9 0.23 5 1.7
    V1720-0,23(3,3-0,5) 1.73 2 0.23 3.3 0.5
    HS1720-0.23(3.7-1.2) 1.73 2 0.23 3.7 1.2
    V1720-0.23(4.0-1.0) 1.73 2 0.23 4 1
    HS1720-0.23(6-2) 1.73 2 0.23 6 2
    V1724-0,23(3,7-0,5) 1.73 2.4 0.23 3.7 0.5
    HS1724-0.23(4.5-1.7) 1.73 2.4 0.23 4.5 1.7
  • Đầu tròn lõi đơn trở kháng đặc tính 50Ω
    Đầu tròn lõi đơn trở kháng đặc tính 50Ω
    Người mẫu Kích thước (mm)
    MỘT B C D E
    V1727-0.23(4.0-0.5) 1.73 2.7 0.23 4 0.5
    HS1727A 1.73 2.7 0.23 4.7 1
    HS1728-0.23(4-0.5) 1.73 2.8 0.23 4 0.5
    HS1730-0,23(4,3-0,5) 1.73 3 0.23 4.3 0.5
    V1730-0.23(5.0-1.0) 1.73 3 0.23 5 1
    HS1734-0.23-01 1.73 3.4 0.23 5.2 1
    HS1744-0.23-01 1.73 4.4 0.23 6.2 1
    HS1749-0.23(8.9-2.0) 1.73 4.9 0.23 8.9 2
    HS1751A 1.73 5.1 0.23 5.9 0.4
    HS1756-0.23(6.6-0.5) 1.73 5.6 0.23 6.6 0.5
    HS1914-0.3(2.55-0.35) 1.9 1.4 0.3 2.55 0.35
    HS1914-0.3(3.2-1.1) 1.9 1.4 0.3 3.2 1.1
    HS1914C 1.9 1.4 0.3 3.6 0.7
    HS1914-0.3(4.4-2) 1.9 1.4 0.3 4.4 2
    HS1914-0.3(3.2-1.1) 1.9 1.4 0.3 3.2 1.1
    HS1914-0.3(3.8-1.2) 1.9 1.4 0.3 3.8 1.2
    HS1914-0.3(4.4-2) 1.9 1.4 0.3 4.4 2
    HS1916-0.3(4.7-0.8) 1.9 1.6 0.3 4.7 0.8
    HS1916B 1.9 1.6 0.3 4.9 0.8
  • Đầu tròn lõi đơn trở kháng đặc tính 50Ω
    Đầu tròn lõi đơn trở kháng đặc tính 50Ω
    Người mẫu Kích thước (mm)
    MỘT B C D E
    HS1917-0.3(3.45-1) 1.9 1.75 0.3 3.45 1
    HS1918-0.3(5.8-2) 1.9 1.8 0.3 5.8 2
    HS1918-0.3(7.8-4.2) 1.9 1.8 0.3 7.8 4.2
    HS1918-0.3(3.5-1) 1.95 1.8 0.3 3.5 1
    HS1934-0.3(4.6-0.4) 1.9 3.4 0.3 4.6 0.4
    HS2006-0.3(3.2-2) 2 0.6 0.3 3.2 2
    HS2008-0.3(1.32-0.26) 2 0.8 0.3 1.32 0.26
    HS2008F 2 0.8 0.3 1.7 0.45
    HS2008-0.3(1.8-0.3) 2 0.8 0.3 1.8 0.3
    HS2008-0.3(2.8-1.0) 2 0.8 0.3 2.8 1
    HS2008-0.3(3.0-1.5) 2 0.8 0.3 3 1.5
    HS2008-0.3(3.4-0.8) 2 0.8 0.3 3.4 0.8
    HS2008-0.3(3.6-1.2) 2 0.8 0.3 3.6 1.2
    HS2008-0.3(5.4-2.6) 2 0.8 0.3 5.4 2.6
    HS2008-0.3(6-2.6) 2 0.8 0.3 6 2.6
    HS2010-0.3(2.1-0.7) 2 1 0.3 2.1 0.7
    HS2010-0.3(2.5-1) 2 1 0.3 2.5 1
    HS2010-0.3(3.2-1.2) 2 1 0.3 3.2 1.2
    HS2011-0.3(2.1-0.5) 2 1.1 0.3 2.1 0.5
  • Trở kháng đặc tính 50Ω - đầu tròn lõi đơn
    Trở kháng đặc tính 50Ω - đầu tròn lõi đơn
    Người mẫu Kích thước (mm)
    MỘT B C D E
    HS2012A 2 1.2 0.3 3.5 1.2
    HS2012-0.3(6-1.8) 2 1.2 0.3 6 1.8
    HS2012-0.3(6.7-1.5) 2 1.2 0.3 6.7 1.5
    HS2013-0.3(2.3-0.5) 2 1.3 0.3 2.3 0.5
    HS2014-0.3(1.92-0.26) 2 1.4 0.3 1.92 0.26
    HS2014-0.3(2.12-0.36) 2 1.4 0.3 2.12 0.36
    HS2014-0.3(2.4-0.5) 2 1.4 0.3 2.4 0.5
    HS2014D 2 1.4 0.3 3.1 0.45
    HS2014-0.3(4.4-1.5) 2 1.4 0.3 4.4 1.5
    HS2014-0.3(4.4-1) 2 1.4 0.3 4.4 1
    HS2014-0.3(4.55-1.5) 2 1.4 0.3 4.55 1.5
    HS2014-0.3(4.65-1.5) 2 1.4 0.3 4.65 1.5
    HS2014-0.3(5.5-1.9) 2 1.4 0.3 5.5 1.9
    HS2014-0.3(5.7-1.8) 2 1.4 0.3 5.7 1.8
    HS2014-0.3(8.0-4.6) 2 1.4 0.3 8 4.6
    HS2014-0.3(8-1.9) 2 1.4 0.3 8 1.9
    HS2015-0.3(3.25-0.75) 2 1.5 0.3 3.25 0.75
    HS2016-0.3(2.7-0.7) 2 1.6 0.3 2.7 0.7
    HS2016-0.3(2.8-0.5) 2 1.6 0.3 2.8 0.5
  • Trở kháng đặc tính 50Ω - đầu tròn lõi đơn
    Trở kháng đặc tính 50Ω - đầu tròn lõi đơn
    Người mẫu Kích thước (mm)
    MỘT B C D E
    HS2016-0.3(3.5-1.2) 2 1.6 0.3 3.5 1.2
    HS2016-0.3(3.6-1) 2 1.6 0.3 3.6 1
    HS2016-0.3(3.9-0.4) 2 1.6 0.3 3.9 0.4
    HS2016E 2 1.6 0.3 3.9 0.6
    HS2016-0.3(4.1-1) 2 1.6 0.3 4.1 1
    HS2016-0.3(4.2-0.8) 2 1.6 0.3 4.2 0.8
    HS2016-0.3(4.6-1.2) 2 1.6 0.3 4.6 1.2
    HS2016-0.3(4.6-1.8) 2 1.6 0.3 4.6 1.8
    Ka2016-0.3(5-2.9) 2 1.6 0.3 5 2.9
    HS2016-0.3(5.2-1.8) 2 1.6 0.3 5.2 1.8
    HS2016-0.3(8.0-4.6) 2 1.6 0.3 8 4.6
    HS2016-0.3(8-1.8) 2 1.6 0.3 8 1.8
    HS2016-0.3(12-2.4) 2 1.6 0.3 12 2.4
    HS2016-0.3(20.4-4.6) 2 1.6 0.3 20.4 4.6
    HS2017-0.3(3.3-0.8) 2 1.7 0.3 3.3 0.8
    HS2017-0.3(8.5-2.0) 2 1.7 0.3 8.5 2
    HS2018-0.3(3.5-1) 2 1.8 0.3 3.5 1
    HS2019-0.3-01 2 1.9 0.3
    HS2020-0.3(3.4-0.4) 2 2 0.3 3.4 0.4
  • Đầu tròn lõi đơn trở kháng đặc tính 50Ω
    Đầu tròn lõi đơn trở kháng đặc tính 50Ω
    Người mẫu Kích thước (mm)
    MỘT B C D E
    HS2020-0.3(3.8-0.8) 2 2 0.3 3.8 0.8
    HS2020-0.3(5.6-2.8) 2 2 0.3 5.6 2.8
    HS2020-0.3(5.7-2.9) 2 2 0.3 5.7 2.9
    HS2020-0.3(6-2) 2 2 0.3 6 2
    HS2020-0.3(12-5) 2 2 0.3 12 5
    HS2022F 2 2.2 0.3 3.1 0.45
    HS2022-0.3(3.2-0.7) 2 2.2 0.3 3.2 0.7
    HS2023-0.3(3.35-0.7) 2 2.3 0.3 3.35 0.7
    HS2023-0.3(3.7-0.7) 2 2.3 0.3 3.7 0.7
    HS2025-0.3(4.8-0.9) 2 2.5 0.3 4.8 0.9
    HS2025-0.3(6-1.5) 2 2.5 0.3 6 1.5
    HS2025-0.38(7.4-1.4) 2 2.5 0.38 7.4 1.4
    HS2026.5-0.3-01 2 2.6 5 0.3 0.1
    HS2028-0.3(4.9-0.5) 2 2.8 0.3 4.9 0.5
    HS2029-0.3(4.1-0.8) 2 2.9 0.3 4.1 0.8
    HS2029-0.3(4.9-0.5) 2 2.9 0.3 4.9 0.5
    HS2030-0.3(5.2-1.5) 2 3 0.3 5.2 1.5
    HS2030-0.3(5.8-1) 2 3 0.3 5.8 1
    HS2030-0.3(8-2) 2 3 0.3 8 2
  • Đầu tròn lõi đơn trở kháng đặc tính 50Ω
    Đầu tròn lõi đơn trở kháng đặc tính 50Ω
    Người mẫu Kích thước (mm)
    MỘT B C D E
    HS2030-0.3(9-1.5) 2 3 0.3 9 1.5
    HS2034-0.3(4.4-0.7) 2 3.4 0.3 4.4 0.7
    HS2035-0.3(6.6-1.8) 2 3.5 0.3 6.6 1.8
    HS2035-0.3(6.65-1.3) 2 3.5 0.3 6.65 1.3
    HS2035-0.3(7.1-1.3) 2 3.5 0.3 7.1 1.3
    HS2035-0.3(9.5-3) 2 3.5 0.3 9.5 3
    HS2036-0.3(5.7-0.7) 2 3.6 0.3 5.7 0.7
    HS2040A 2 4 0.3 5.1 0.8
    HS2045-0.7(11.5-2) 2 4.5 0.7 11.5 2
    HS2050-0.3(6.4-0.7) 2 5 0.3 6.4 0.7
    HS2507-0.38(2.2-0.3) 2.5 0.7 0.38 2.2 0.3
    HS2508-0.38(1.8-0.3) 2.5 0.8 0.38 1.8 0.3
    HS2508-0.38(2-0.5) 2.5 0.8 0.38 2 0.5
    HS2510-0.38(3.6-1.3 ) 2.5 1 0.38 3.6 1.3
    HS2510-0.38(7-3) 2.5 1 0.38 7 3
    HS2511-0.38(2..4-0.5) 2.5 1.1 0.38 2.4 0.5
    HS2511-0.38(3.7-0.6) 2.5 1.1 0.38 3.7 0.6
    HS2512-0.38(3.1-0.8) 2.5 1.1 0.38 3.7 0.6
    HS4414-0.3(3.2-1.1) 4.4 1.4 0.3 3.2 1.1
  • Đầu tròn lõi đơn trở kháng đặc tính 50Ω
    Đầu tròn lõi đơn trở kháng đặc tính 50Ω
    Người mẫu Kích thước (mm)
    MỘT B C D E
    HS2516-0.3(7.5-2.14) 2.5 1.6 0.3 7.5 2.14
    HS2516-0.3(8-1.8) 2.5 1.6 0.3 8 1.8
    HS2516-0,38(3,5-0,7) 2.5 1.6 0.38 3.5 0.7
    HS2516-0.38(4.1-1.25) 2.5 1.6 0.38 4.1 1.25
    HS2516-0.38(4.3-1.2) 2.5 1.6 0.38 4.3 1.2
    Ka2511-0.38(2.7-1.0) 2.5 1.1 0.38 2.7 1
    Ka2516-0,38(2,9-0,3) 2.5 1.6 0.38 2.9 0.3
    K2516-0,38(4-1,5) 2.5 1.6 0.38 4 1.5
    HS2516-0.38(4.5-1.2) 2.5 1.6 0.38 4.5 1.2
    HS2516-0.38(4.6-1) 2.5 1.6 0.38 4.6 1
    HS2516E 2.5 1.6 0.38 4.6 1.5
    HS2516G 2.5 1.6 0.38 4.6 1.5
    HS2516-0.38(4.8-1.2) 2.5 1.6 0.38 4.8 1.2
    HS2516-0.38(4.9-1.5) 2.5 1.6 0.38 4.9 1.5
    HS2516-0.38(5.1-1.6) 2.5 1.6 0.38 5.1 1.6
    HS2516-0.38(5.3-1.2) 2.5 1.6 0.38 5.3 1.2
    Ka2516-0.38(5.6-3.0) 2.5 1.6 0.38 5.6 3
    HS2516-0.38(6.1-1.3) 2.5 1.6 0.38 6.1 1.3
    HS2516-0.38(7.1-1.4) 2.5 1.6 0.38 7.1 1.4
  • Đầu tròn lõi đơn trở kháng đặc tính 50Ω
    Đầu tròn lõi đơn trở kháng đặc tính 50Ω
    Người mẫu Kích thước (mm)
    MỘT B C D E
    HS2516-0.38(7.41-1.27) 2.5 1.6 0.38 7.41 1.27
    HS2516F 2.5 1.6 0.38 7.45 4.55
    HS2516-0.38-01 2.5 1.6 0.38 7.5 1.3
    HS2516-0.38(8-1.8) 2.5 1.6 0.38 8 1.8
    RF2516-0.38(8-4.6) 2.5 1.6 0.38 8 4.6
    HS2516-0.38(8-5) 2.5 1.6 0.38 8 5
    K2516-0,38(8-1,5) 2.5 1.6 0.38 8 1.5
    K2516-0.38(8-5.9) 2.5 1.6 0.38 8 5.9
    HS2516-0.38(11.6-5) 2.5 1.6 0.38 11.6 5
    HS2516-0.38(12-2.0) 2.5 1.6 0.38 12 2
    HS2520-0.38(6-2) 2.5 2 0.38 6 2
    HS2520-0.38(7.4-1.4) 2.5 2 0.38 7.4 1.4
    HS2520-0.38(7.8-1.4) 2.5 2 0.38 7.8 1.4
    HS2520-0.38(9.0-2.0) 2.5 2 0.38 9 2
    HS2520-0.38(12-5) 2.5 2 0.38 12 5
    HS2520-0.38(15-2) 2.5 2 0.38 15 2
    HS2524-0.38(5.7-1.1) 2.5 2.4 0.38 5.7 1.1
    HS2526-0.38(6.6-2) 2.5 2.6 0.38 6.6 2
    HS2530-0,38(3,6-0,3) 2.5 3 0.38 3.6 0.3
  • Trở kháng đặc tính 50Ω - đầu tròn lõi đơn
    Trở kháng đặc tính 50Ω - đầu tròn lõi đơn
    Người mẫu Kích thước (mm)
    MỘT B C D E
    Ka2530-0,38(4,6-1,0) 2.5 3 0.38 4.6 1
    HS2530A 2.5 3 0.38 5 1
    HS2530-0.38(7.5-1.5) 2.5 3 0.38 7.5 1.5
    HS2530-0.38(8-0.4) 2.5 3 0.38 8 0.4
    HS2530-0.38(8-2) 2.5 3 0.38 8 2
    HS2530-0.38(9-3) 2.5 3 0.38 9 3
    HS2530-0.38(12-2.2) 2.5 3 0.38 12 2.2
    HS2530-0.38(13.9-8.2) 2.5 3 0.38 13.9 8.2
    HS2530-0.38(20-4) 2.5 3 0.38 20 4
    HS2533-0.38(6.5-1.2) 2.5 3.3 0.38 6.5 1.2
    HS2535-0.38(7.5-2) 2.5 3.5 0.38 7.5 2
    HS2537-0.38(7.7-2) 2.5 3.7 0.38 7.7 2
    HS2540-0.38(11-1.8) 2.5 4 0.38 11 1.8
    HS2545-0.38(8-1.3) 2.5 4.5 0.38 8 1.3
    HS2550-0.38(6.9-1.5) 2.5 5 0.38 6.9 1.5
    HS2550-0.38(11-2) 2.5 5 0.38 11 2
    HS2558-0.38(14.8-6) 2.5 5.8 0.38 14.8 6
    HS2575-0.38(12-1.3) 2.5 7.5 0.38 12 1.3
    HS2810-0,45(3,3-0,35) 2.8 1 0.45 3.3 0.35
  • Đầu tròn lõi đơn trở kháng đặc tính 50Ω
    Đầu tròn lõi đơn trở kháng đặc tính 50Ω
    Người mẫu Kích thước (mm)
    MỘT B C D E
    HS2815-0,45(5,75-1,25) 2.8 1.5 0.45 5.75 1.25
    HS2816-0.45(4.6-1.5) 2.8 1.6 0.45 4.6 1.5
    HS2816-0.45(4.9-1.8)-R 2.8 1.6 0.45 4.9 1.8
    HS2816-0.45(5.1-1.5) 2.8 1.6 0.45 5.1 1.5
    HS2816-0.45(5.2-1.1) 2.8 1.6 0.45 5.2 1.1
    HS2816-0.45(5.4-2) 2.8 1.6 0.45 5.4 2
    HS2816-0.45(5.6-2) 2.8 1.6 0.45 5.6 2
    HS2816-0.45(6.2-1.8) 2.8 1.6 0.45 6.2 1.8
    HS2816-0.45(8.0-4.6) 2.8 1.6 0.45 8 4.6
    HS2816-0.45(8-1.8) 2.8 1.6 0.45 8 1.8
    HS2816-0.45(11.6-5) 2.8 1.6 0.45 11.6 5
    HS2816-0.45(12-3.0) 2.8 1.6 0.45 12 3
    HS2831-0.45(5.2-1.8) 2.8 3.1 0.45 5.2 1.8
    HS2843-0.45(8.3-2) 2.8 4.3 0.45 8.3 2
    HS3015-0.5(4.3-0.8) 3 1.5 0.5 4.3 0.8
    HS3016-0.5(3.4-0.9) 3 1.6 0.5 3.4 0.9
    HS3016-0.5(4.6-1) 3 1.6 0.5 4.6 1
    HS3016-0.5(4.6-1.5) 3 1.6 0.5 4.6 1.5
    HS3016B 3 1.6 0.38 4.9 1.8
  • Trở kháng đặc tính 50Ω - đầu tròn lõi đơn
    Trở kháng đặc tính 50Ω - đầu tròn lõi đơn
    Người mẫu Kích thước (mm)
    MỘT B C D E
    HS3016-0.5(5.6-2) 3 1.6 0.5 5.6 2
    HS3016C 3 1.6 0.5 6.6 2
    HS3016-0.5(6.6-2.5) 3 1.6 0.5 6.6 2.5
    HS3016-0.5(7.5-2) 3 1.6 0.5 7.5 2
    HS3016-0.5(7.5-3.9) 3 1.6 0.5 7.5 3.9
    HS3016-0.5(7.8-2.0) 3 1.6 0.5 7.8 2
    HS3016-0.5(9.65-3.05) 3 1.6 0.5 9.65 3.05
    HS3016-0.5(12-5.0) 3 1.6 0.5 12 5
    HS3016-0.5(14.3-1.5) 3 1.6 0.5 14.3 1.5
    HS3020-0.5(5-1.8) 3 2 0.5 5 1.8
    HS3020-0.5(6.0-1.5) 3 2 0.5 6 1.5
    HS3020-0.5(6.5-2.2) 3 2 0.5 6.5 2.2
    HS3020-0.5(6.5-2.3) 3 2 0.5 6.5 2.3
    HS3020-0.5(6.8-1.8) 3 2 0.5 6.8 1.8
    HS3020-0.5(7.5-2.2) 3 2 0.5 7.5 2.2
    HS3020-0.5(8-2) 3 2 0.5 8 2
    HS3020-0.5(8.5-2.2) 3 2 0.5 8.5 2.2
    HS3020-0.5(8.5-4.3) 3 2 0.5 8.5 4.3
    HS3020-0.5(10-4) 3 2 0.5 10 4
  • Trở kháng đặc tính 50Ω - đầu tròn lõi đơn
    Trở kháng đặc tính 50Ω - đầu tròn lõi đơn
    Người mẫu Kích thước (mm)
    MỘT B C D E
    HS3020-0.5(10-1.5) 3 2 0.5 10 1.5
    HS3020-0.5(12-4.0) 3 2 0.5 12 4
    HS3020-0.5(12-5.0) 3 2 0.5 12 5
    HS3020-0.5(12-6) 3 2 0.5 12 6
    HS3020-0.5(15-2) 3 2 0.5 15 2
    HS3025-0.5(5.4-1.2) 3 2.5 0.5 5.4 1.2
    HS3030A 3 3 0.38 10 1.5
    HS3030-0.5(6.5-2) 3 3 0.5 6.5 2
    HS3030-0.5(6.6-1.8) 3 3 0.5 6.6 1.8
    HS3030-0.5(7.5-2)-R 3 3 0.5 7.5 2
    HS3030-0.5(8.8-1.8) 3 3 0.5 8.8 1.8
    HS3030-0.5(10-2) 3 3 0.5 10 2
    HS3030-0.5(12-3) 3 3 0.5 12 3
    HS3030-0.5(12-2) 3 3 0.5 12 2
    HS3030-0.5(14-4.0) 3 3 0.5 14 4
    HS3035-0.5(6-1) 3 3.5 0.5 6 1
    HS3035-0.5(11.5-4) 3 3.5 0.5 11.5 4
    HS3040A 3 4 0.5 10.4 4
    HS3042-0.5(9.0-2.2) 3 4.2 0.5 9 2.2
  • Trở kháng đặc tính 50Ω - đầu tròn lõi đơn
    Trở kháng đặc tính 50Ω - đầu tròn lõi đơn
    Người mẫu Kích thước (mm)
    MỘT B C D E
    HS3045-0.5(8.5-2) 3 4.5 0.5 8.5 2
    HS3047-0.5(9.4-2.2) 3 4.7 0.5 9.4 2.2
    HS3047-0.5(12-5.1) 3 4.7 0.5 12 5.1
    HS3050-0.5(9-2) 3 5 0.5 9 2
    HS3052A 3 5.2 0.5 10.3 4
    HS3057-0.5(12.5-3) 3 5.7 0.5 12.5 3
    HS3620-0.5(9-2.5) 3.6 2 0.5 9 2.5
    HS3616-0.6(12.2-1.6) 3.6 1.6 0.6 12.2 1.6
    HS3625-0.6(6.5-2) 3.6 2.5 0.6 6.5 2
    HS2540-0.8(27-5) 2.5 4 0.8 27 5
    HS4030A 4 3 1 10.6 4.6
    HS5010-0.8(5.9-2.45) 5 1 0.8 5.9 2.45
    HS5015-0.8(7.3-4.9) 5 1.5 0.8 7.3 4.9
    HS5016B 5 1.6 0.8 5.6 2
    HS5016-0.8(8.6-3.0) 5 1.6 0.8 8.6 3
    HS5030-0.8(17.2-2) 5 3 0.8 17.2 2
    HS5040-0.8(12-3) 5 4 0.8 12 3
    HS5060-0.8(11.5-2.5) 5 6 0.8 11.5 2.5
    HS5065-0.8(13.7-3) 5 6.5 0.8 13.7 3
  • Đầu tròn lõi đơn trở kháng đặc tính 50Ω
    Đầu tròn lõi đơn trở kháng đặc tính 50Ω
    Người mẫu Kích thước (mm)
    MỘT B C D E
    HS5065-0.8(15.5-3) 5 6.5 0.8 15.5 3
    HS5516-0.9(8.3-2.8) 5.5 1.6 0.9 8.3 2.8
    HS5516-0.9(8.5-2.8) 5.5 1.6 0.9 8.5 2.8
    HS5516-0.9(8.7-2.8) 5.5 1.6 0.9 8.7 2.8
    HS5516-0.9(8.9-2.8) 5.5 1.6 0.9 8.9 2.8
    HS5516-0.9(9.1-2.8) 5.5 1.6 0.9 9.1 2.8
    HS5516-0.9(11.9-2.8) 5.5 1.6 0.9 11.9 2.8
    HS5516-0.9(12.6-2) 5.5 1.6 0.9 12.6 2
    HS5516-0.9(13.8-2.8) 5.5 1.6 0.9 13.8 2.8
    HS5525-0.9(9.7-1.6) 5.5 2.5 0.9 9.7 1.6
    HS5525-0.9(16-5) 5.5 2.5 0.9 16 5
    HS5530-0.9(8.8-2.3) 5.5 3 0.9 8.8 2.3
    HS5530-0.9(9.6-2.3) 5.5 3 0.9 9.6 2.3
    HS5530-0.9(13.8-2.8) 5.5 3 0.9 13.8 2.8
    HS5530A 5.5 3 1.35 13.5 7.5
    HS5530B 5.5 3 1.35 13.8 7.8
    HS6016-1.0(8.5-1.5) 6 1.6 1 8.5 1.5
    HS6840-0.9(7-1.5) 6.8 4 0.9 7 1.5
    HS8330-1.3(13-5) 8.3 3 1.3 13 5
  • Trở kháng đặc tính 50Ω - đầu phẳng lõi đơn
    Trở kháng đặc tính 50Ω - đầu phẳng lõi đơn
    Người mẫu Kích thước (mm)
    MỘT B C D E
    Ka2008-0.3(1.4-0.3) 2 0.8 0.3 1.4 0.3
    HS2008-0.3(1.65-0.35) 2 0.8 0.3 1.65 0.35
    Ka2008-0.3(1.8-0.3) 2 0.8 0.3 1.8 0.3
    HS2010-0.3(1.9-0.35) 2 1 0.3 1.9 0.35
    HS2010-0.3(2-0.5) 2 1 0.3 2 0.5
    HS2010-0.3(2.5-0.5) 2 1 0.3 2.5 0.5
    HS2013-0.3(2.4-0.4) 2 1.3 0.3 2.4 0.4
    HS2014-0.3(2.6-0.4) 2 1.4 0.3 2.6 0.4
    HS2014E 2 1.4 0.3 2.3 0.45
    HS2014F 2 1.4 0.3 2.35 0.5
    HS2016-0.3-01 2 1.6 0.3 3.1 1
    HS2016-0.3(3.3-0.7) 2 1.6 0.3 3.3 0.7
    HS2016-0.3-02 2 1.6 0.3 3.3 1
    HS2016-0.3(5.6-2) 2 1.6 0.3 5.6 2
    HS2019-0.3(3-0.35) 2 1.9 0.3 3 0.35
    HS2020-0.3-02 2 2 0.3 3.5 0.5
    HS2020-0.3(3.6-0.8) 2 2 0.3 3.6 0.8
    HS2030-0.3(4.2-0.7) 2 3 0.3 4.2 0.7
  • Trở kháng đặc tính 50Ω - đầu tròn lõi đơn
    Trở kháng đặc tính 50Ω - đầu tròn lõi đơn
    Người mẫu Kích thước (mm)
    MỘT B C D E
    HS8740-1.38(8.4-3.2) 8.7 4 1.38 8.4 3.2
    HS9430-1.5(9-3) 9.4 3 1.5 9 3
    HS9430-1.5(11-4) 9.4 3 1.5 11 4
    HS9640-1.5(9.2-3.2) 9.6 4 1.5 9.2 3.2
    HS10050-1.7(15-5) 10 5 1.7 15 5
    HS130100-3(18-4) 13 10 3 18 4
  • Trở kháng đặc trưng 50Ω - Đầu tròn lõi đơn
    Trở kháng đặc trưng 50Ω - Đầu tròn lõi đơn
    Người mẫu Kích thước (mm)
    MỘT B C D E
    HS2330-0.23(5.3-0.3) 2.3 3 0.23 5.3 0.3
    HS2815-0.3(5.2-1.2) 2.8 1.5 0.3 5.2 1.2
    HS2815-0.3(7.2-1.2) 2.8 1.5 0.3 7.2 1.2
    HS2635-0.3(7.1-1.3) 2.6 3.5 0.3 7.1 1.3
    HS3822-0.5(14.4-3.7) 3.8 2.2 0.5 14.4 3.7
    HS3525-0.5(11.5-6) 3.5 2.5 0.5 11.5 6
  • Trở kháng đặc tính 50Ω - đầu phẳng lõi đơn
    Trở kháng đặc tính 50Ω - đầu phẳng lõi đơn
    Người mẫu Kích thước (mm)
    MỘT B C D E
    HS2516-0.38(5.1-2) 2.5 1.6 0.38 5.1 2
    HS2516-0.38(7.37-4.5) 2.5 1.6 0.38 7.37 4.5
    HS2517-0.38-01 2.5 1.7 0.38 2.7 0.65
    HS2520-0,38(3,2-0,5) 2.5 2 0.38 3.2 0.5
    HS2525-0.38-01 2.5 2.5 0.38 3.65 0.65
    HS2530-0.38(7.5-2.5) 2.5 3 0.38 7.5 2.5
    HS2816-0.45(4.9-1.8) 2.8 1.6 0.45 4.9 1.8
    HS2816-0.45-01 2.8 1.6 0.45 5 3
    HS2816-0.45(6-1.5) 2.8 1.6 0.45 6 1.5
    HS3030-0.5(7.5-2) 3 3 0.5 7.5 2
  • Trở kháng đặc tính 50Ω - đầu tròn phẳng lõi đơn
    Trở kháng đặc tính 50Ω - đầu tròn phẳng lõi đơn
    Người mẫu Kích thước (mm)
    MỘT B C D E
    HS2006-0.3(3.1-1.8) 2 0.6 0.3 3.1 1.8
    HS2010-0.3(3.5-2) 2 1 0.3 3.5 2
    HS2020-0.3-01 2 2 0.3 3.7 0.6
    HS2035-0.3(6.4-1.8) 2 3.5 0.3 6.4 1.8
    HS2816-0.45(11.7-7.6) 2.8 1.6 0.45 11.7 7.6
    HS3020-0.5(10-6.5) 3 2 0.5 10 6.5
    HS3216-0.5(7.1-4) 3.2 1.6 0.5 7.1 4
    HS6448-1.0(10.2-3.5) 6.4 4.8 1 10.2 3.5
  • Ka2032-0.3(4.5-1.3)
    Ka2032-0.3(4.5-1.3)
    Người mẫu
    Ka2032-0.3(4.5-1.3)
  • K2010-0.3(1.05-0.05)
    K2010-0.3(1.05-0.05)
    Người mẫu
    K2010-0.3(1.05-0.05)
  • HS2510-0.3-02
    HS2510-0.3-02
    Người mẫu
    HS2510-0.3-02
  • HS3520-0.5(3.4-0.3)
    HS3520-0.5(3.4-0.3)
    Người mẫu
    HS3520-0.5(3.4-0.3)
  • Ka3216-0,5(5,85-1,5)
    Ka3216-0,5(5,85-1,5)
    Người mẫu
    Ka3216-0.5(5.85-1.5)
  • K2515-0,38(2,9-0,3)
    K2515-0,38(2,9-0,3)
    Người mẫu
    K2515-0,38(2,9-0,3)
  • 2-K482515-0,38(2,9-0,3)
    2-K482515-0,38(2,9-0,3)
    Người mẫu
    2-K482515-0,38(2,9-0,3)
  • KW2016-0.3(0.7-1.6)
    KW2016-0.3(0.7-1.6)
    Người mẫu
    KW2016-0.3(0.7-1.6)
  • KW2016-0.3(1-2.2)
    KW2016-0.3(1-2.2)
    Người mẫu
    KW2016-0.3(1-2.2)
  • KW2025-0.3(1-2.2)
    KW2025-0.3(1-2.2)
    Người mẫu
    KW2025-0.3(1-2.2)
  • KW2018-0.3(0.95-2.1)
    KW2018-0.3(0.95-2.1)
    Người mẫu
    KW2018-0.3(0.95-2.1)
  • Trở kháng đặc trưng không phải 50Ω-Đầu tròn lõi đơn
    Trở kháng đặc trưng không phải 50Ω-Đầu tròn lõi đơn
    Người mẫu Kích thước (mm)
    MỘT B C D E
    JD1515-0.4(5-1.5) 1.5 1.5 0.4 5 5
    JD1615-0.4(8-1.9) 1.6 1.5 0.4 8 8
    JD1616-0.4(30-14.2) 1.6 1.6 0.4 30 30
    JD1614-0,45(11,4-5) 1.6 1.4 0.45 11.4 11.4
    JD1616-0,45(4,65-1,05) 1.6 1.6 0.45 4.65 4.65
    JD1616-0,45(16-4) 1.6 1.6 0.45 16 16
    JD1616-0,45(30-14,2) 1.6 1.6 0.45 30 30
    JD2020-0,45(6,3-3) 2 2 0.45 6.3 6.3
    JD2020-0,45(10-4) 2 2 0.45 10 10
    JD1614-0.5(9-4) 1.6 1.4 0.5 9 9
    JD1616-0,5(30-14,2) 1.6 1.6 0.5 30 30
    JD1619-0.5(5.1-2) 1.6 1.9 0.5 5.1 5.1
    HS2015-0.5(7.5-3) 2 1.5 0.5 7.5 7.5
    JD2016-0.5(12-5.8)-R 2 1.6 0.5 12 12
    HS2018-0.5(9.5-1.5) 2 1.8 0.5 9.5 9.5
    HS2018-0.5(11.5-7.2) 2 1.8 0.5 11.5 11.5
    HS2030-0.5(10-2) 2 3 0.5 10 10
    JD1919-0.6(7.9-1.9)-R 1.9 1.9 0.6 7.9 7.9
  • Trở kháng đặc trưng không phải 50Ω-Đầu tròn lõi đơn
    Trở kháng đặc trưng không phải 50Ω-Đầu tròn lõi đơn
    Người mẫu Kích thước (mm)
    MỘT B C D E
    HS2040-0.6(6-1) 2 4 0.6 6 1
    JD1818-0.7(10-6) 1.8 1.8 0.7 10 6
    JD1818-0.7(22.2-0.4) 1.8 1.8 0.7 22.2 0.4
    HS2016-0.7(4.6-1.5) 2 1.6 0.7 4.6 1.5
    HS2016-0.7(6.3-1.5) 2 1.6 0.7 6.3 1.5
    HS2016-0.7(7.1-1.5)-R 2 1.6 0.7 7.1 1.5
    HS2016-0.7(7.6-1.5) 2 1.6 0.7 7.6 1.5
    HS2016-0.7(9.6-4) 2 1.6 0.7 9.6 4
    K2016-0.7(11-4.6) 2 1.6 0.7 11 4.6
    HS2016-0.7(11.6-5) 2 1.6 0.7 11.6 5
    HS2016-0.7(17-15.1) 2 1.6 0.7 17 15.1
    HS2016-0.7(20-0.3) 2 1.6 0.7 20 0.3
    HS2017-0.7(9.7-3) 2 1.7 0.7 9.7 3
    HS2035-0.7(13-3) 2 3.5 0.7 13 3
    HS2020-0.75(12-4) 2 2 0.75 12 4
    HS2015-0.8(6.5-3) 2 1.5 0.8 6.5 3
    JD2015-0.8(10.5-3) 2 1.5 0.8 10.5 3
    JD2063-0.5(10.3-2) 2 6.3 0.5 10.3 2
  • Trở kháng đặc trưng không phải 50Ω-Đầu tròn lõi đơn
    Trở kháng đặc trưng không phải 50Ω-Đầu tròn lõi đơn
    Người mẫu Kích thước (mm)
    MỘT B C D E
    JD2518-0.8(12.8-5) 2.5 1.8 0.8 12.8 5
    JD2520-0.8(14-4) 2.5 2 0.8 14 4
    JD2540-0.8(10-4) 2.5 4 0.8 10 4
    JD3218-0.8(51.8-20) 3.2 1.8 0.8 51.8 20
    JD2530-0.9(6.6-1.8) 2.5 3 0.9 6.6 1.8
    JD2540A 2.5 4 0.8 10 4
    JD2816-1(6.6-2) 2.8 1.6 1 6.6 2
    K2816-1.0(16-10) 2.8 1.6 1 16 10
    JD3218-1(27-15) 3.2 1.8 1 27 15
    JD3015-1.3(10.2-6.1) 3 1.5 1.3 10.2 6.1
    JD3015-1.3(10.5-3) 3 1.5 1.3 10.5 3
    JD3430-1.4(10.5-4.5) 3.4 3 1.4 10.5 4.5
    JD12940-1.7(10-3) 12.9 4 1.7 10 3
    JD3916-2(6.6-2) 3.9 1.6 2 6.6 2
  • Đầu phẳng lõi đơn trở kháng đặc tính không phải 50Ω
    Đầu phẳng lõi đơn trở kháng đặc tính không phải 50Ω
    Người mẫu Kích thước (mm)
    MỘT B C D E
    JD1510-0.3-01 1.5 1 0.3 5.5 1.5
    JD1315-0.35-01 1.3 1.5 0.35 3.5 0.3
    JD1515-0.4(4.5-0.5) 1.5 1.5 0.4 4.5 0.5
    JD1516-0.4-01 1.5 1.6 0.4 14.6 1
    JD1615-0,5(7-0,5) 1.6 1.5 0.5 7 0.5
    JD1619-0.5(8.7-3) 1.6 1.9 0.5 8.7 3
    JD1619-0.5(10.3-4.6) 1.6 1.9 0.5 10.3 4.6
    JD2016-0,5(4,5-0,6) 2 1.6 0.5 4.5 0.6
    JD2016-0.5(12-5.8) 2 1.6 0.5 12 5.8
    JD2020-0.5-01 2 2 0.5 5.2 0.5
    JD2044-0.5(6.3-0.4) 2 4.4 0.5 6.3 0.4
    JD1919-0.6(7.9-1.9) 1.9 1.9 0.6 7.9 1.9
    RF2010-0.7(6.0-3.0) 2 1 0.7 6 3
    JD2015-0.8(6.5-3) 2 1.5 0.8 6.5 3
    RF2016-0.8(6.6-4.5) 2 1.6 0.8 6.6 4.5
    JD2816-1(10.3-4.9) 2.8 1.6 1 10.3 4.9
  • Trở kháng đặc trưng không phải 50Ω-Đầu tròn phẳng lõi đơn
    Trở kháng đặc trưng không phải 50Ω-Đầu tròn phẳng lõi đơn
    Người mẫu Kích thước (mm)
    MỘT B C D E
    RF1515-0.38(2.9-0.3) 1.5 1.5 0.38 2.9 0.3
    JD1614-0,5(17,9-0,5) 1.6 1.4 0.5 17.9 0.5
    JD1615-0.5(9-2.5) 1.6 1.5 0.5 9 2.5
    JD2016-0.7(8.1-4.5) 2 1.6 0.7 8.4 4.5
    JD2040-0.6(10-4.5) 2 4 0.6 10 4.5
    JD2016-0.7(9.1-2.5) 2 1.6 0.7 9.1 2.5
    JD2035-0.7(22-3) 2 3.5 0.7 22 3
  • Trở kháng đặc trưng không phải 50Ω - Loại đầu đinh
    Trở kháng đặc trưng không phải 50Ω - Loại đầu đinh
    Người mẫu Kích thước (mm)
    MỘT B C D E F G
    JD1616-0,45(4,2-1,5) 1.4 1.5 4.2 0.45 1.6 0.8 0.3
    JD1614-0,45(6,2-0,8) 1.4 0.8 6.2 0.45 1.6 0.8 0.3
    JD1614-0,45(6,9-1,5) 1.4 1.5 6.9 0.45 1.6 0.8 0.2
    JD1620-0,45(7-1) 2 1 7 0.45 1.6 1 0.3
    JD1630-0,5(7,5-0,5) 3 0.5 7.5 0.5 1.6 0.6 0.2
    JD1630-0,5(10,5-0,5) 3 0.5 10.5 0.5 1.6 0.6 0.2
    JD1816-0,5(20-0,5) 1.6 0.5 20 0.5 1.8 0.7 0.3
    JD2020B 2 2 0.6 5.7 1
  • JP2016-0.7(7.1-1.5)
    JP2016-0.7(7.1-1.5)
    Người mẫu
    JP2016-0.7(7.1-1.5)

    Người mẫu Kích thước (mm)
    MỘT B C D E F G
    JD1614-0.45(6.9-1.5)-R 1.4 1.5 6.9 0.45 1.6 0.8 0.2
    JD1630-0,5(7,5-0,5)-R 3 0.5 7.5 0.5 1.6 0.6 0.2
  • Trở kháng đặc trưng không phải 50Ω - Loại đầu đinh
    Trở kháng đặc trưng không phải 50Ω - Loại đầu đinh
    Người mẫu Kích thước (mm)
    MỘT B C D E F G
    JD1614-0.45(6.9-1.5)-R 1.4 1.5 6.9 0.45 1.6 0.8 0.2
    JD1630-0,5(7,5-0,5)-R 3 0.5 7.5 0.5 1.6 0.6 0.2
  • JD1516-0.4-02
    JD1516-0.4-02
    Người mẫu
    JD1516-0.4-02
  • RF1816-0.8(6.6-4.5)-2
    RF1816-0.8(6.6-4.5)-2
    Người mẫu
    RF1816-0.8(6.6-4.5)-2
  • 2-RF281515-0,38(2,9-0,3)
    2-RF281515-0,38(2,9-0,3)
    Người mẫu
    2-RF281515-0,38(2,9-0,3)
  • 2-RF301516-0.5(5.85-1.5)
    2-RF301516-0.5(5.85-1.5)
    Người mẫu
    2-RF301516-0,5(5,85-1,5)
  • JD301520-0.5-01
    JD301520-0.5-01
    Người mẫu
    JD301520-0.5-01
  • JD301515-0.5-01
    JD301515-0.5-01
    Người mẫu
    JD301515-0.5-01
  • JD201315-0.35-01
    JD201315-0.35-01
    Người mẫu
    JD301515-0.5-01
  • JD271516-0.4-02
    JD271516-0.4-02
    Người mẫu
    JD271516-0.4-02
  • JD271516-0.4-01
    JD271516-0.4-01
    Người mẫu
    JD271516-0.4-01
  • JD2615-0.35-01
    JD2615-0.35-01
    Người mẫu
    JD2615-0,35-01
  • 3-RF411515-0,38(2,9-0,3)
    3-RF411515-0,38(2,9-0,3)
    Người mẫu
    3-RF411515-0,38(2,9-0,3)
  • 3-RF421516-0.5(5.85-1.5)
    3-RF421516-0.5(5.85-1.5)
    Người mẫu
    3-RF421516-0.5(5.85-1.5)
  • JD261516-0.3-01
    JD261516-0.3-01
    Người mẫu
    JD261516-0.3-01
  • JD391516-0.4-01
    JD391516-0.4-01
    Người mẫu
    JD391516-0.4-01
  • JD2815-0.35-01
    JD2815-0.35-01
    Người mẫu
    JD2815-0,35-01
  • RF3416-0.8(6.6-4.5)-4
    RF3416-0.8(6.6-4.5)-4
    Người mẫu
    RF3416-0.8(6.6-4.5)-4
  • 4-RF3416-0,5(5,85-1,5)
    4-RF3416-0,5(5,85-1,5)
    Người mẫu
    4-RF3416-0.5(5.85-1.5)
  • JD341315-0.35-01
    JD341315-0.35-01
    Người mẫu
    JD341315-0,35-01
  • JD272716-0.4-01
    JD272716-0.4-01
    Người mẫu
    JD272716-0.4-01
  • JD511516-0.4-01
    JD511516-0.4-01
    Người mẫu
    JD511516-0.4-01
  • JD2016-0.3-01
    JD2016-0.3-01
    Người mẫu
    JD2016-0.3-01
  • JD3115-0.35-01
    JD3115-0.35-01
    Người mẫu
    JD3115-0,35-01
  • JD631516-0.4-01
    JD631516-0.4-01
    Người mẫu
    JD631516-0.4-01
  • RF1816-0.8(6.6-4.5)-6
    RF1816-0.8(6.6-4.5)-6
    Người mẫu
    RF1816-0.8(6.6-4.5)-6
  • 6-RF811515-0,5(0,5-8,2)
    6-RF811515-0,5(0,5-8,2)
    Người mẫu
    6-RF811515-0,5(0,5-8,2)
  • 6-RF821515-0,5(5,5-2,5)
    6-RF821515-0,5(5,5-2,5)
    Người mẫu
    6-RF821515-0.5(5.5-2.5)
  • JD501516-0.4-01
    JD501516-0.4-01
    Người mẫu
    JD501516-0.4-01
  • JD811520-0,5-0,1
    JD811520-0,5-0,1
    Người mẫu
    JD811520-0,5-0,1
  • 7-RF941515-0.5(5.5-2.5)
    7-RF941515-0.5(5.5-2.5)
    Người mẫu
    7-RF941515-0.5(5.5-2.5)
  • JD1201515-0.5-01
    JD1201515-0.5-01
    Người mẫu
    JD1201515-0.5-01
  • JMC-265-JH
    JMC-265-JH
    Người mẫu
    JMC-265-JH
  • JD1201515-0.5-02
    JD1201515-0.5-02
    Người mẫu
    JD1201515-0.5-02
  • RF1816-0.8(6.6-4.5)-9
    RF1816-0.8(6.6-4.5)-9
    Người mẫu
    RF1816-0.8(6.6-4.5)-9
  • JYZ22-0.45-01
    JYZ22-0.45-01
    Người mẫu
    JYZ22-0,45-01
  • Trở kháng đặc tính không phải 50Ω - Đa lõi
    Trở kháng đặc tính không phải 50Ω - Đa lõi
    Người mẫu Kích thước (mm)
    MỘT B C D E F G H một sự kéo qua hàng ngang Chấm dứt
    JD156018-0.3(27.2-0.8)-8 27.2 0.8 1.4 6 1.8 0.6 0.3 0 8 1 Liên kết mặt trên của dây dẫn bên trong
    JD151152-0.3(4.5-1.5)-9 4.5 1.5 1.5 11.5 2 1.27 0.3 0 9 1 hàn
    2-JD162020-0.3(5-1.7)-4 MỘT1=5
    MỘT2=3.6
    B1=1,7
    B2=1
    1.6 2 2 0.57 0.3 0.57 4 2 Liên kết phẳng trên cả hai mặt của dây dẫn bên trong
    2-JD162020-0.3(7.6-1.7)-4 MỘT1=7.6
    MỘT2=3.6
    B1=1,7
    B2=1
    1.6 2 2 0.57 0.3 0.56 4 2 Liên kết phẳng ở cả hai mặt của đầu dây dẫn bên trong
    JD158215-0,38(7-0,8)-6 7 0.8 1.5 8.2 1.5 1.27 0.38 0 6 1 Dán mặt đầu móng trên
    JD153015-0,38(8-1,9)-2 8 1.9 1.5 3 1.5 1.27 0.38 0 2 1 hàn
    2-JD162525-0,38(10,6-3,5)-4 10.6 3.5 1.6 2.5 2.5 0.71 0.38 0.71 4 2 hàn
    2-JD187425-0,38(3,8-1)-16 MỘT1=3.8
    MỘT2=5.2
    B1=1
    B2=1,7
    1.8 7.4 2.5
    4
    0.88 0.38 1.02 16 2 Các đầu dây dẫn bên trong được làm phẳng và liên kết sang một bên
    JD1510516-0,45(7,5-2)-8 7.5 2 1.5 10.5 1.6 1.27 0.45 0 8 1 hàn
    JD155515-0,5(5,7-1,7}-4 5.7 1.7 1.5 5.5 1.5 1.27 0.5 0 4 1 Dây dẫn bên trong phía trên liên kết dẹt
    JD1512015-0,5(5,8-2,5)-9 5.8 2.5 1.5 12 1.5 1.27 0.5 0 9 1 Dây dẫn bên trong bên dưới liên kết phẳng
    JD153015-0,5(7-0,5)-2 7 0.5 1.5 3 1.5 1.27 0.5 0 2 1 Liên kết các đầu dây dẫn bên trong
  • Trở kháng đặc tính không phải 50Ω - Đa lõi
    Trở kháng đặc tính không phải 50Ω - Đa lõi
    Người mẫu Kích thước (mm)
    MỘT B C D E F G H một sự kéo qua hàNg ngang Chấm dứt
    JD153815-0,5(7,7-1,2)-2 7.7 1.2 1.5 3.8 1.5 2.1 0.5 0 2 1 Dây dẫn bên trong phía trên liên kết dẹt
    JD153015-0,5(13,5-4)-2 13.5 4 1.5 3 1.5 1.27 0.5 0 2 1 hàn
    JD1613215-0,5(10,6-2)-10 10.6 2 1.6 13.2 1.5 1.27 0.5 0 10 1 hàn
    JD302915-0,5(8-1)-2 8 1 3 2.9 1.5 1.27 0.5 0 2 1 Liên kết mặt trên của dây dẫn bên trong
    2-JD165528-0.5(7.6-1)-8 7.6 1 1.6 5.5 2.8 1.07 0.5 0 8 2 Liên kết mặt trên của dây dẫn bên trong
    2-JD154330-0,5(5,8-2)-5 MỘTl=5.8
    MỘT2=5.1
    B1=2
    B2=1,3
    1.5 4.3 3 1.27 0.5 1.5 5 2 Hàn làm phẳng mặt trên
    2-JD156830-0,5(5,8-2)-9 MỘTl=5.8
    MỘT2=5.1
    B1=2
    B2=1,3
    1.5 6.8 n 1.27 0.5 1.5 6 2 Mối hàn Làm phẳng mặt trên của dây dẫn bên trong
    2-JD1512030-0,5(9,3-2,8)-18 MỘT1=9.3
    MỘT2=8
    B1=2,8
    B2=1,5
    1.5 12 3 1.27 0.5 1.5 18 2 hàn Flattening of inner conductor ends
    3-JD155545-0,5(9,5-4)-12 MỘTl=9.5
    MỘT2=7.5
    MỘT3=5.5
    B1=4
    B2=3
    B3=2
    1.5 5.5 4.5 1.27 0.5 1.5 12 3 hàn
    2-JD207015-0.6(7-3)-10 MỘT1=7
    MỘT2=6
    B1=3
    B2=2
    2 7 1.5 1.27 0.6 1.5 10 2 Dây dẫn bên trong được làm phẳng và liên kết ở cả hai bên
    2-JD3012230-0.6(10.8-5)18 10.8 5 3 12.2 3 1.27 0.6 1.5 18 2 Liên kết dẹt phía bên trong dây dẫn phía dưới
  • JYZ22-0.45-02
    JYZ22-0.45-02
    Người mẫu
    JYZ22-0,45-02

GIỮ LIÊN LẠC

[#đầu vào#]
GỬI
Về chúng tôi
Công ty TNHH Công nghệ Truyền thông Ninh Ba Hanson
Công ty TNHH Công nghệ Truyền thông Ninh Ba Hanson
Ningbo Hanson Communication Technology Co., Ltd. is China Chất cách điện kính RF Supplier and Custom Chất cách điện kính RF Company. We are a manufacturer specializing in the production, processing, and trade of communication components, with more than 30 years of experience in RF coaxial connectors, adapters, and cable assemblies. Công ty hiện đã phát triển xưởng gia công, xưởng mạ điện, xưởng lắp ráp của riêng mình và một nhóm các nhà cung cấp ổn định và đáng tin cậy. Mục đích của công ty là cung cấp cho khách hàng những sản phẩm chất lượng cao. Các sản phẩm chính là các đầu nối đồng trục RF, bộ điều hợp, cụm cáp tần số cao và cụm cáp xuyên điều chế thấp. Ngoài ra, công ty cũng có thể cung cấp dịch vụ cho khách hàng có nhu cầu tùy chỉnh để đáp ứng các yêu cầu đặc biệt của khách hàng đối với sản phẩm. Các sản phẩm của công ty được sử dụng rộng rãi trong ngành hàng không vũ trụ, trạm cơ sở truyền thông, thiết bị y tế và các lĩnh vực công nghệ cao khác. Vào thời điểm doanh nghiệp cải cách, đổi mới, phát triển và tăng trưởng, công ty đã chủ động tham gia hệ thống quản lý chất lượng quốc tế ISO 9001 và không ngừng nâng cao trình độ quản lý để cung cấp nhiều sản phẩm và dịch vụ vừa ý hơn cho khách hàng mới và cũ.
Tin tức mới nhất
Bạn đang tìm kiếm cơ hội kinh doanh?

Yêu cầu cuộc gọi ngay hôm nay