OEM Đầu nối kín SMP Supplier

Công ty TNHH Công nghệ Truyền thông Ninh Ba Hanson Trang chủ / Các sản phẩm / Dòng kín / Đầu nối kín SMP

Đầu nối kín SMP

Sự miêu tả:

Đầu nối đồng trục RF kín loại SMP-J có đặc tính đóng gói kín và có thể được đóng gói và hàn trên vỏ ống hoặc bảng điều khiển thiết bị. Vỏ và dây dẫn bên trong của sản phẩm này được làm bằng vật liệu hợp kim Kovar, bề mặt có thể được mạ vàng cứng hoặc vàng mềm; môi trường cách điện được làm bằng thủy tinh thiêu kết ở nhiệt độ cao và hằng số điện môi khoảng 4. Nó có ưu điểm là kích thước nhỏ, trọng lượng nhẹ, bịt kín, độ tin cậy cao, v.v. Nó chủ yếu được sử dụng trong những trường hợp có yêu cầu niêm phong hoặc yêu cầu đặc biệt về khối lượng và trọng lượng sản phẩm, và phù hợp cho việc lắp đặt chuyên sâu.

hỏi thăm

Cấu trúc cơ bản:
Đầu nối đồng trục RF kín khí loại SMP-J thường bao gồm ba phần: dây dẫn bên ngoài, môi trường thủy tinh và dây dẫn bên trong, và cấu trúc cơ bản được thể hiện trong hình.

Khi phần hở của dây dẫn bên trong của sản phẩm được nối bằng cách chèn hoặc hàn bề mặt, mặt cuối của dây dẫn bên trong có thể được tạo ra dưới dạng đầu hình cầu; khi phần hở của dây dẫn bên trong của sản phẩm được nối bằng liên kết, mặt cuối của dây dẫn bên trong có thể được tạo ra dưới dạng đầu phẳng hoặc mặt bên của phần hở của dây dẫn bên trong có thể được phay.

Các thông số kỹ thuật chính:

Đặc tính điện
Trở kháng đặc trưng 50Ω Dải tần số DC~40GHz
Điện áp chịu được điện môi 500Vrms Điện trở cách điện 2000M Ω
Điện áp VSWR <1,4 Mất chèn .00,05 √f dB(GHz)
Tính chất vật liệu và cơ học, môi trường
Vỏ bọc Hợp kim có thể rửa được/Mạ vàng Ghim Cắm Thori Mạ vàng hợp kim có thể ủy quyền
môi trường cách nhiệt Thủy tinh Độ bền của đầu nối Giam giữ đầy đủ ≥100 lần
Tỷ lệ rò rỉ 1,01325×10 Pa ·m³/s Giam giữ có giới hạn ≥500 lần
Nhiệt độ hoạt động -65oC~ 165oC lỗ khoan mịn ≥1000 lần

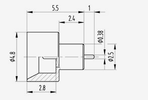
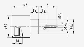
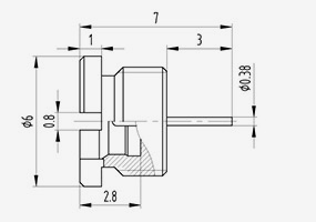
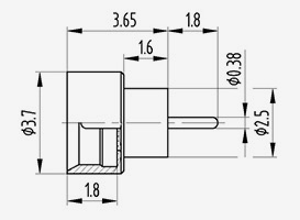
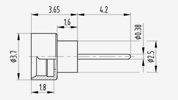
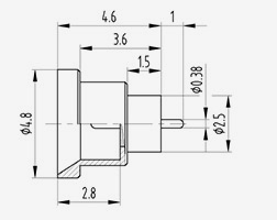
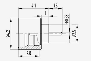
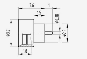
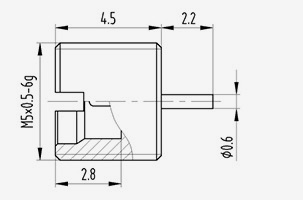
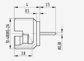
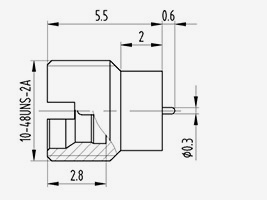
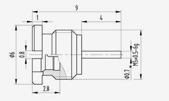
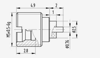
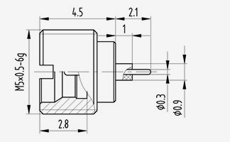
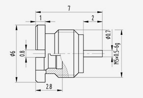
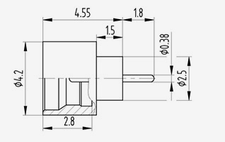
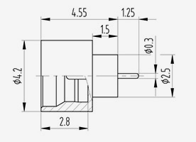
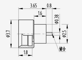
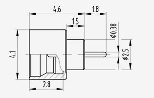
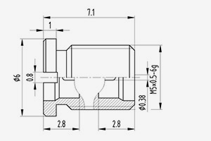
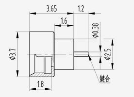
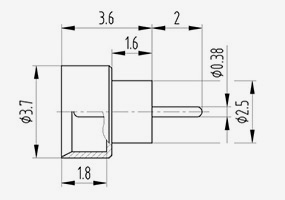
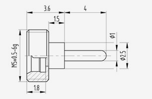
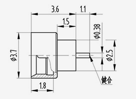
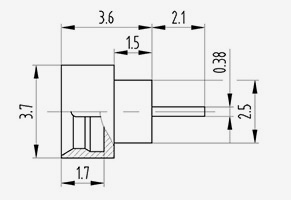
Kích thước giao diện:
Đầu nối đồng trục RF kín khí loại SMP-J có ba dạng giao diện: thoát hoàn toàn, thoát một nửa và lỗ sáng. Khi đặt tên cho mẫu, F có nghĩa là bộ thoát hoàn toàn, L có nghĩa là bộ thoát một nửa và S có nghĩa là lỗ sáng. Kích thước giao diện được chia thành kích thước giao diện tiêu chuẩn và kích thước giao diện ngắn, cả hai đều có thể kết nối được với phích cắm loại SMP-K.

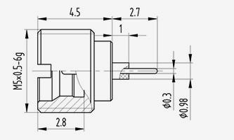
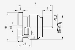
Kích thước giao diện tiêu chuẩn:

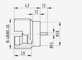
Kích thước giao diện ngắn:

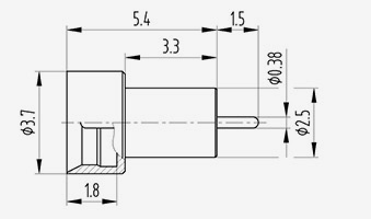
SMP SERIES
  • SMP(M)-JYD3S
    SMP(M)-JYD3S
    Người mẫu Bình luận
    SMP(M)-JYD3S Đường kính mịn
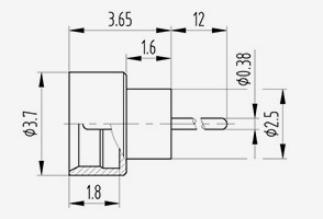
  • SMP(M)-JYD6L
    SMP(M)-JYD6L
    Người mẫu Bình luận
    SMP(M)-JYD6L Bị giam giữ có giới hạn
  • SMP(M)-JYD12L
    SMP(M)-JYD12L
    Người mẫu Bình luận
    SMP(M)-JYD12L Giam giữ đầy đủ
  • SMP(M)-JYD13F
    SMP(M)-JYD13F
    Người mẫu Bình luận
    SMP(M)-JYD13F Giam giữ đầy đủ
  • SMP(M)-JYD14L
    SMP(M)-JYD14L
    Người mẫu Bình luận
    SMP(M)-JYD14L Bị giam giữ có giới hạn
  • SMP(M)-JYD17S
    SMP(M)-JYD17S
    Người mẫu Bình luận
    SMP(M)-JYD17S Đường kính mịn
  • SMP(M)-JYD19L
    SMP(M)-JYD19L
    Người mẫu Bình luận
    SMP(M)-JYD19L Bị giam giữ có giới hạn
  • SMP(M)-JYD22S
    SMP(M)-JYD22S
    Người mẫu Bình luận
    SMP(M)-JYD22S Bị giam giữ có giới hạn
  • SMP(M)-JYD23S
    SMP(M)-JYD23S
    Người mẫu Bình luận
    SMP(M)-JYD23S Bị giam giữ có giới hạn
  • SMP(M)-JYD24S
    SMP(M)-JYD24S
    Người mẫu Bình luận
    SMP(M)-JYD24S Bị giam giữ có giới hạn
  • SMP(M)-JYD25L
    SMP(M)-JYD25L
    Người mẫu Bình luận
    SMP(M)-JYD25L Thời gian giam giữ có giới hạn
  • SMP(M)-JYD26L
    SMP(M)-JYD26L
    Người mẫu Bình luận
    SMP(M)-JYD26L Bị giam giữ có giới hạn
  • SMP(M)-JYD27L
    SMP(M)-JYD27L
    Người mẫu Bình luận
    SMP(M)-JYD27L Bị giam giữ có giới hạn
  • SMP(M)-JYD28L
    SMP(M)-JYD28L
    Người mẫu Bình luận
    SMP(M)-JYD28L Bị giam giữ có giới hạn
  • SMP(M)-JYD29L
    SMP(M)-JYD29L
    Người mẫu Bình luận
    SMP(M)-JYD29L Bị giam giữ có giới hạn
  • SMP(M)-JYD30L
    SMP(M)-JYD30L
    Người mẫu Bình luận
    SMP(M)-JYD30L Thời gian giam giữ có giới hạn
  • SMP(M)-JYD31L
    SMP(M)-JYD31L
    Người mẫu Bình luận
    SMP(M)-JYD31L Thời gian giam giữ có giới hạn
  • SMP(M)-JYD32F
    SMP(M)-JYD32F
    Người mẫu Bình luận
    SMP(M)-JYD32F Bị giam giữ có giới hạn
  • SMP(M)-JYD33L
    SMP(M)-JYD33L
    Người mẫu Bình luận
    SMP(M)-JYD33L Thời gian giam giữ có giới hạn
  • SMP(M)-JYD34L
    SMP(M)-JYD34L
    Người mẫu Bình luận
    SMP(M)-JYD34L Bị giam giữ có giới hạn
  • SMP(M)-JYD35L
    SMP(M)-JYD35L
    Người mẫu Bình luận
    SMP(M)-JYD35L Bị giam giữ có giới hạn
  • SMP(M)-JYD37L
    SMP(M)-JYD37L
    Người mẫu Bình luận
    SMP(M)-JYD37L Bị giam giữ có giới hạn
  • SMP(M)-JYD41L
    SMP(M)-JYD41L
    Người mẫu Bình luận
    SMP(M)-JYD41L Thời gian giam giữ có giới hạn
  • SMP(M)-JYD42S
    SMP(M)-JYD42S
    Người mẫu Bình luận
    SMP(M)-JYD42S Bị giam giữ có giới hạn
  • SMP(M)-JYD43L
    SMP(M)-JYD43L
    Người mẫu Bình luận
    SMP(M)-JYD43L Bị giam giữ có giới hạn
  • SMP(M)-JYD44L
    SMP(M)-JYD44L
    Người mẫu Bình luận
    SMP(M)-JYD44L Bị giam giữ có giới hạn
  • SMP(M)-JYD45L
    SMP(M)-JYD45L
    Người mẫu Bình luận
    SMP(M)-JYD45L Bị giam giữ có giới hạn
  • SMP(M)-JYD46L
    SMP(M)-JYD46L
    Người mẫu Bình luận
    SMP(M)-JYD46L Bị giam giữ có giới hạn
  • SMP(M)-JYD47L
    SMP(M)-JYD47L
    Người mẫu Bình luận
    SMP(M)-JYD47L Thời gian giam giữ có giới hạn
  • SMP(M)-JYD48L
    SMP(M)-JYD48L
    Người mẫu Bình luận
    SMP(M)-JYD48L Bị giam giữ có giới hạn
  • SMP(M)-JYD49L
    SMP(M)-JYD49L
    Người mẫu Bình luận
    SMP(M)-JYD49L Bị giam giữ có giới hạn
  • SMP(M)-JYD50S
    SMP(M)-JYD50S
    Người mẫu Bình luận
    SMP(M)-JYD50S Đường kính mịn
  • SMP(M)-JYD51L
    SMP(M)-JYD51L
    Người mẫu Bình luận
    SMP(M)-JYD51L Bị giam giữ có giới hạn
  • SMP(M)-JYD52S
    SMP(M)-JYD52S
    Người mẫu Bình luận
    SMP(M)-JYD52S Đường kính mịn
  • SMP(M)-JYD53L
    SMP(M)-JYD53L
    Người mẫu Bình luận
    SMP(M)-JYD53L Thời gian giam giữ có giới hạn
  • SMP(M)-JYD54S
    SMP(M)-JYD54S
    Người mẫu Bình luận
    SMP(M)-JYD54S Đường kính mịn
  • SMP(M)-JYD55L
    SMP(M)-JYD55L
    Người mẫu Bình luận
    SMP(M)-JYD55L Thời gian giam giữ có giới hạn
  • SMP(M)-JYD57S
    SMP(M)-JYD57S
    Người mẫu Bình luận
    SMP(M)-JYD57S Đường kính mịn
  • SMP(M)-JYD80L
    SMP(M)-JYD80L
    Người mẫu Bình luận
    SMP(M)-JYD80L Bị giam giữ có giới hạn
  • SMP(M)-JYD81L
    SMP(M)-JYD81L
    Người mẫu Bình luận
    SMP(M)-JYD81L Bị giam giữ có giới hạn
  • SMP(M)-JYD82L
    SMP(M)-JYD82L
    Người mẫu Bình luận
    SMP(M)-JYD82L Thời gian giam giữ có giới hạn
  • SMP(M)-JYD83F
    SMP(M)-JYD83F
    Người mẫu Bình luận
    SMP(M)-JYD83F Giam giữ đầy đủ
  • SMP(M)-JYD84S
    SMP(M)-JYD84S
    Người mẫu Bình luận
    SMP(M)-JYD84S Đường kính mịn
  • SMP(M)-JYD85S
    SMP(M)-JYD85S
    Người mẫu Bình luận
    SMP(M)-JYD85S Đường kính mịn
  • SMP(M)-JYD86L
    SMP(M)-JYD86L
    Người mẫu Bình luận
    SMP(M)-JYD86L Bị giam giữ có giới hạn
  • SMP(M)-JYD87S
    SMP(M)-JYD87S
    Người mẫu Bình luận
    SMP(M)-JYD87S Đường kính mịn
  • SMP(M)-JYD88L
    SMP(M)-JYD88L
    Người mẫu Bình luận
    SMP(M)-JYD88L Bị giam giữ có giới hạn
  • SMP(M)-JYD89L
    SMP(M)-JYD89L
    Người mẫu Bình luận
    SMP(M)-JYD89L Bị giam giữ có giới hạn
  • SMP(M)-JYD90L
    SMP(M)-JYD90L
    Người mẫu Bình luận
    SMP(M)-JYD90L Thời gian giam giữ có giới hạn
  • SMP(M)-JYD91L
    SMP(M)-JYD91L
    Người mẫu Bình luận
    SMP(M)-JYD91L Bị giam giữ có giới hạn
  • SMP(M)-JYD92L
    SMP(M)-JYD92L
    Người mẫu Bình luận
    SMP(M)-JYD92L Bị giam giữ có giới hạn
  • SMP(M)-JYD93S
    SMP(M)-JYD93S
    Người mẫu Bình luận
    SMP(M)-JYD93S Đường kính mịn
  • SMP(M)-JYD94L
    SMP(M)-JYD94L
    Người mẫu Bình luận
    SMP(M)-JYD94L Thời gian giam giữ có giới hạn
  • SMP(M)-JYD95L
    SMP(M)-JYD95L
    Người mẫu Bình luận
    SMP(M)-JYD95L Thời gian giam giữ có giới hạn
  • SMP(M)-JYD96L
    SMP(M)-JYD96L
    Người mẫu Bình luận
    SMP(M)-JYD96L Thời gian giam giữ có giới hạn
  • SMP(M)-JYD97S
    SMP(M)-JYD97S
    Người mẫu Bình luận
    SMP(M)-JYD97S Đường kính mịn
  • SMP(M)-JYJ1S
    SMP(M)-JYJ1S
    Người mẫu Bình luận
    SMP(M)-JYJ1S Đường kính mịn

GIỮ LIÊN LẠC

[#đầu vào#]
GỬI
Về chúng tôi
Công ty TNHH Công nghệ Truyền thông Ninh Ba Hanson
Công ty TNHH Công nghệ Truyền thông Ninh Ba Hanson
Ningbo Hanson Communication Technology Co., Ltd. is China Đầu nối kín SMP Supplier and Custom Đầu nối kín SMP Company. We are a manufacturer specializing in the production, processing, and trade of communication components, with more than 30 years of experience in RF coaxial connectors, adapters, and cable assemblies. Công ty hiện đã phát triển xưởng gia công, xưởng mạ điện, xưởng lắp ráp của riêng mình và một nhóm các nhà cung cấp ổn định và đáng tin cậy. Mục đích của công ty là cung cấp cho khách hàng những sản phẩm chất lượng cao. Các sản phẩm chính là các đầu nối đồng trục RF, bộ điều hợp, cụm cáp tần số cao và cụm cáp xuyên điều chế thấp. Ngoài ra, công ty cũng có thể cung cấp dịch vụ cho khách hàng có nhu cầu tùy chỉnh để đáp ứng các yêu cầu đặc biệt của khách hàng đối với sản phẩm. Các sản phẩm của công ty được sử dụng rộng rãi trong ngành hàng không vũ trụ, trạm cơ sở truyền thông, thiết bị y tế và các lĩnh vực công nghệ cao khác. Vào thời điểm doanh nghiệp cải cách, đổi mới, phát triển và tăng trưởng, công ty đã chủ động tham gia hệ thống quản lý chất lượng quốc tế ISO 9001 và không ngừng nâng cao trình độ quản lý để cung cấp nhiều sản phẩm và dịch vụ vừa ý hơn cho khách hàng mới và cũ.
Tin tức mới nhất
Bạn đang tìm kiếm cơ hội kinh doanh?

Yêu cầu cuộc gọi ngay hôm nay