OEM N type RF Coaxial Connector Supplier

Công ty TNHH Công nghệ Truyền thông Ninh Ba Hanson Trang chủ / Các sản phẩm / Đầu nối đồng trục RF / Đầu nối đồng trục RF loại N

Đầu nối đồng trục RF loại N

Sự miêu tả:

Đầu nối đồng trục RF dòng N là đầu nối đồng trục RF có cơ chế kết nối ren được phát triển và sản xuất theo tiêu chuẩn quân sự Hoa Kỳ MIL-C-39012. Nó có các đặc tính của băng thông rộng, khả năng chống sốc tốt, độ tin cậy cao và hiệu suất tuyệt vời và được sử dụng rộng rãi trong các hệ thống đo lường và truyền thông vi sóng. Trở kháng đặc tính của đầu nối đồng trục RF dòng N do nhà máy của chúng tôi sản xuất được chia thành hai loại: 50Ω và 75Ω.

tham số:

Thông số kỹ thuật chính:
◆ Trở kháng đặc trưng: 50Ω/75Ω
◆ Dải tần số: DC-18GHz(50Ω)/DC-3GHz(75Ω)
◆ Điện trở cách điện: ≥5000MΩ
◆ Điện áp chịu được điện môi: 1500V(rms)
◆ Tỷ số sóng đứng điện áp (VSWR): ≤1,30
◆ Chu kỳ giao phối: 500 lần

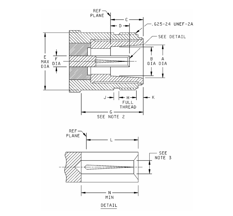
hỏi thăm

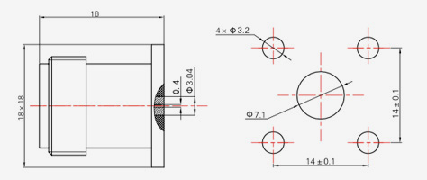
mờ
Ltr
Inch (mm)
Tối thiểu. Tối đa.
MỘT 0,336 (8,53) 0,344 (8,74)
B .316 (8.03) .320 (8.13)
C 0,356 (9,04) .362 (9.19)
D 0,187 (4,75) 0,207 (5,26)
E ------- 0,627 (15,93)
F .119 (3.02) 0,124 (3,15)
G 0,422 (10,72) -------
H 0,172 (4,37) 0,220 (5,59)
J 0,047 (1,19) 0,077 (1,96)
K 0,047 (1,19) 0,077 (1,96)
L 0,187 (4,75) 0,207 (5,26)
N 0,210 (5,33) -------

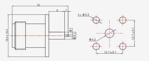
Ghi chú:
1. Giao diện này phải đáp ứng các yêu cầu về máy đo như được chỉ định trong
MIL-PRF-39o12/2.
2. Khe hở để nối đai ốc khớp nối đầu nối.
3. Để đáp ứng VSwR, đặc điểm giao phối, điện trở tiếp xúc và
độ bền của đầu nối khi kết nối với chốt có đường kính a.063/.066.

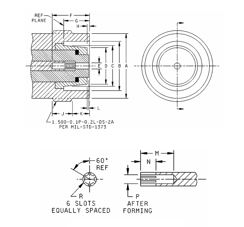
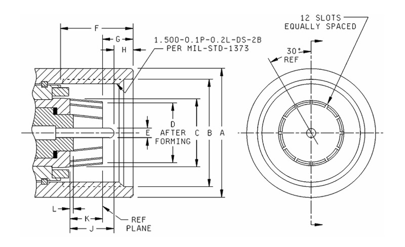
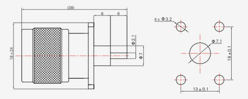
mờ
Ltr
Inch (mm)
Tối thiểu. Tối đa.
MỘT 1.740 (44.20) 1.760 (44.70)
B 1.537 (39.04) 1.543 (39.19)
C 1.060 (26.92) 1.064 (27.03)
D 0,964 (24,49) 0,974 (24,74)
E 0,194 (4,93) 0,196 (4,98)
F .836 (21.23) 0,856 (21,74)
G 0,372 (9,45) 0,392 (9,96)
H 0,271 (6,88) 0,291 (7,39)
J 551 (14.00) 0,571 (14,50)
K 0,370 (9,40) 0,380 (9,65)
L 0,001 (0,03) 0,013 (0,33)

Ghi chú:
1. Giao diện này phải đáp ứng các yêu cầu về máy đo như được chỉ định trong MIL-PRF-39012/44.

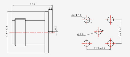
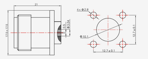
mờ
Ltr
Inch (mm)
Tối thiểu. Tối đa.
MỘT 1.404 (35.66) 1.408 (35.76)
B 1.100 (27.94) 1.120 (28.45)
C 1,998 (50,75) 1,002 (25,45)
D 936 (23,77) 0,940 (23,88)
E 0,191 (4,85) 0,195 (4,95)
F 0,763 (19,38) 0,783 (19,89)
G .465 (11.81) 0,485 (12,32)
H 0,062 (1,57) Tham chiếu
J 0,302 (7,67) .322 (8.18)
K 0,302 (7,67) .322 (8.18)
L 0,001 (0,03) 0,013 (0,33)
M 0,490 (12,45) 0,510 (12,95)
N 0,240 (6,10) ,260 (6,60)
P 0,187 (4,75) 0,189 (4,80)
R 0,014 (0,36) 0,018 (0,46)

Ghi chú:
1. Giao diện này phải đáp ứng các yêu cầu về máy đo như được chỉ định trong MIL-PRF-39012/45.

N SERIES
  • N-JB2
    N-JB2
    Người mẫu Loại cáp d
    N-JB2 SFT-50-2,670-086 Φ2.2
    N-JB3 SFT-50-3,670-141 Ф3,6
  • N-JB3-1
    N-JB3-1
    Người mẫu Loại cáp L
    N-JB3-1 SFT-50-3,670-141 17.6
    N-JB3A-1 SFT-50-3,670-141 16.5
  • N-KB3
    N-KB3
    Người mẫu Loại cáp
    N-KB3 SFT-50-3,670-141
  • N-KFB3
    N-KFB3
    Người mẫu Loại cáp
    N-KFB3 SFT-50-3,670-141
  • N-KYB3
    N-KYB3
    Người mẫu Loại cáp
    N-KYB3 SFT-50-3,670-141
  • N-J3
    N-J3
    Người mẫu Loại cáp
    N-J3 SYV-50-2-1,RG316
    N-J4 SYV-50-2-2
  • N-J5
    N-J5
    Người mẫu Loại cáp L
    N-J5 SYV-50-3,RG142, SFCJ-50-3-51 33
    N-J5C SYV-50-3,RG142, SFCJ-50-3-51 33
    N-J7 SYV-50-5-1, SFCJ-50-5-51 36
    N-J10 SYV-50-7-1, SYV-50-7-2,SFCJ-50-7-51 36
  • N-J5.3
    N-J5.3
    Người mẫu Loại cáp
    N-J5.3 32055,205,GNB415
  • N-J311
    N-J311
    Người mẫu Loại cáp
    N-J311 FFB311A
  • N-J10-1
    N-J10-1
    Người mẫu Loại cáp
    N-J10-1 SFCJ-50-7-51
  • N-JW5
    N-JW5
    Người mẫu Loại cáp
    N-JW5 SFCJ-50-3-51,SYV-50-3-4,RG142
    N-JW7 SFCJ-50-5-51,SYV-50-5-1
    N-JW10 SFCJ-50-7-51,SYV-50-7-2
  • N-JW8A
    N-JW8A
    Người mẫu Loại cáp
    N-JW8A FFB311A,SYV-50-5
    N-JW12A SYV-75-3
    N-JW13A SYV-75-5
  • N-K3
    N-K3
    Người mẫu Loại cáp
    N-K3 SYV-50-2-1,RG316
  • N-K5
    N-K5
    Người mẫu Loại cáp L
    N-K5 SYV-50-3,RG142, SFCJ-50-3-51 36
    N-K7 SYV-50-5-1,SFCJ-50-5-51 38
    N-K10 SYV-50-7-1,SFCJ-50-7-51 38
  • N-KF5
    N-KF5
    Người mẫu Loại cáp L
    N-KF5 SYV-50-3,RG142,SFCJ-50-3-51 36
    N-KF7 SYV-50-5-1,SFCJ-50-5-51 38
    N-KF10 SYV-50-7-1,SFCJ-50-7-51 38
  • N-KF3A
    N-KF3A
    Người mẫu Loại cáp L
    N-KF3A SYV-50-2-1,RG316 33
    N-KF5A SYV-50-3-4,RG142 42
  • N-KY3Y
    N-KY3Y
    Người mẫu Loại cáp
    N-KY3Y SYV-50-2-1,RG316
  • N-KFD
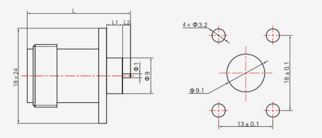
    N-KFD
    Người mẫu L L1 L2
    KFD 26 4 2
    KFD2 31 6 5
    KFD15 30 6 4
    KFD16 28.5 6 2.5
    KFD17 28 6 2
    KFD18 29 5 4
    KFD19 29 4 5
    KFD20 33 4 9
  • N-KF
    N-KF
  • N-JFD1
    N-JFD1
  • N-JFD2
    N-JFD2
  • N-JFD3
    N-JFD3
  • N-JFD23
    N-JFD23
  • N-KFD1
    N-KFD1
  • N-KFD7
    N-KFD7
  • N-KFD11
    N-KFD11
  • N-KFD50
    N-KFD50
  • N-KFD-Z
    N-KFD-Z
  • N-KFD9
    N-KFD9
  • N-KFD14
    N-KFD14

GIỮ LIÊN LẠC

[#đầu vào#]
GỬI
Về chúng tôi
Công ty TNHH Công nghệ Truyền thông Ninh Ba Hanson
Công ty TNHH Công nghệ Truyền thông Ninh Ba Hanson
Ningbo Hanson Communication Technology Co., Ltd. is China N type RF Coaxial Connector Supplier and Custom N type RF Coaxial Connector Company. We are a manufacturer specializing in the production, processing, and trade of communication components, with more than 30 years of experience in RF coaxial connectors, adapters, and cable assemblies. Công ty hiện đã phát triển xưởng gia công, xưởng mạ điện, xưởng lắp ráp của riêng mình và một nhóm các nhà cung cấp ổn định và đáng tin cậy. Mục đích của công ty là cung cấp cho khách hàng những sản phẩm chất lượng cao. Các sản phẩm chính là các đầu nối đồng trục RF, bộ điều hợp, cụm cáp tần số cao và cụm cáp xuyên điều chế thấp. Ngoài ra, công ty cũng có thể cung cấp dịch vụ cho khách hàng có nhu cầu tùy chỉnh để đáp ứng các yêu cầu đặc biệt của khách hàng đối với sản phẩm. Các sản phẩm của công ty được sử dụng rộng rãi trong ngành hàng không vũ trụ, trạm cơ sở truyền thông, thiết bị y tế và các lĩnh vực công nghệ cao khác. Vào thời điểm doanh nghiệp cải cách, đổi mới, phát triển và tăng trưởng, công ty đã chủ động tham gia hệ thống quản lý chất lượng quốc tế ISO 9001 và không ngừng nâng cao trình độ quản lý để cung cấp nhiều sản phẩm và dịch vụ vừa ý hơn cho khách hàng mới và cũ.
Tin tức mới nhất
Bạn đang tìm kiếm cơ hội kinh doanh?

Yêu cầu cuộc gọi ngay hôm nay